因为专业
所以领先
BMS电池管理系统的关键技术与BMS电路板清洗剂
BMS是BATTERY MANAGEMENT SYSTEM的第一个字母简称组合,称之为电池管理系统。BMS电池管理系统通过通信接口分别与无线通信模组及显示模组连接,采集模组的输出端与BMS电池管理系统的输入端连接,BMS电池管理系统的输出端与控制模组的输入端连接,控制模组分别与电池组及电气设备连接,BMS电池管理系统通过无线通信模块与Server服务器端连接。
下面合明科技小编给大家科普一下BMS电池管理系统的关键技术与BMS电路板清洗剂,希望能对您有所帮助!

BMS电池管理系统的关键技术有以下几点:
一、电池状态估算
常见的估计电池SOC的方式有开路电压法、内电阻法和安时积分法。
传统式计算方式一般选用安时积分和开路电压紧密结合的方式。
1、开路电压法简易精确,但会受电流量危害,不宜单层磷酸铁锂电池电池应用。
2、安时积分法测算非常容易,但电流量积分非常容易发生积累偏差;
3、电池内电阻法具备较高的端充放电精密度和适应能力,但内电阻与SOC 的关联繁杂,影响因素较多,不适合独立应用。
新的SOC优化算法关键有神经元网络方式和卡尔曼滤波方式。
1、神经元网络方式适应能力好,适用各种各样电池,但必须大量的数据信息样版开展自学习培训训炼,必须很多的测算量和强劲的集成ic来支撑点;
2、卡尔曼滤波方式精度高,能够即时获得可能偏差,但较高的二阶实体模型测算量很大。

二、电池热管理
电池的热管理方法有两个作用:电池排热和加温。
1、整车规定,电池加温常选用PTC或加热膜对锂电芯立即加温,加温高效率可以达到0.5℃/min,比水冷散热加温更高效率环保节能。针对ACB、高频率单脉冲等新式加温方法,高效率较为高,但技术性尚需科学研究。
2、电池发热量一般根据当然制冷、蒸发冷却或液态制冷来消退。电池制冷选用高宽比集成化的制冷系统和汽车空调方法。
三、电池均衡管理
电池均衡管理作解决电池组不均衡问题,使电池组中各单体电池的性能一致,确保电动汽车的续驶里程以及安全性等方面发挥着巨大的作用。
1、被动均衡
由于电池组无时无刻不通过电阻进行放电,且以热能的形式释放无形中增加了电池热管理的负担,该种电路主要用于由铅酸及镍氢电池等构成的对于可靠性要求高、能量供给充足的低功耗电源进行均衡。
开关分流电阻均衡电路,该电路在固定分流电阻均衡电路的基础上增加了可控开关管,仅对电量高的电池进行放电,一般调整旁路电阻使最大均衡电流被限制在100mA以内。可应用于电动汽车中锂电池组的均衡管理,特斯拉等绝大多数电动汽车采用的就是该种均衡管理。
但是本质上开关分流电阻电路还是耗散式均衡电路,能量同样没有得到再次利用。

2、主动均衡
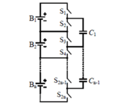
主动均衡电路通过电池间能量的转移再分配以实现均衡,主动均衡电路凭借其可再次利用电池多余电量的优势成为目前均衡电路的主要研究方向。按照能量的转移方式可分为电容式、电感式、变压器式、DC-DC变换器式以及多电平变换器式等。
假设电池B1与电池B2电量不一致,且B1的电量高于B2,对两单体电池进行均衡,开关管S1、S3 导通,S2、S4关断,B1将电量转至储能电容C1;之后S2、S4导通,S1、S3关断,B2与C1连接,电容对B2充电,如此往复,即可实现两电池的均衡。

四、高压信号采集与分析
绝缘电阻主要采集电池系统总正与箱体之间的绝缘电阻,以及电池系统总负与箱体之间的绝缘电阻。高压互锁包括高压航插的互锁状态和MSD的互锁状态。
五、充电和放电管理
BMS根据电池系统的电芯温度和SOC对电池系统的充电功率MAP进行线性查表,而确定系统的当前最大允许充电电流。
放电管理是BMS根据实时采集的温度和估算的SOC对动力电池系统的10s/30s 峰值放电功率MAP和持续放电功率MAP进行线性查表,获得电池系统的当前10s/30s的峰值放电功率值和持续放电功率值。

电池管理系统(BMS)为一套保护动力电池使用安全的控制系统,时刻监控电池的使用状态,通过必要措施缓解电池组的不一致性,为产品使用安全提供保障。承担着为"大脑般”作用的BMS电路板需保持高度可靠性,电路板表面高洁净度是高可靠性的保证。BMS系统的制程工艺清洗,可大大地提高组件产品的安全可靠性,免除因为工况条件差、湿度、温度高造成的电化学腐蚀和电迁移所形成缺陷造成不必要的风险。合明科技研发的环保水基清洗剂,为BMS电路板达到高洁净度要求提供清洗解决方案。
BMS电路板清洗剂W3210是合明自主开发的PH中性配方的电子产品焊后残留水基清洗剂。适用于清洗PCBA等不同类型的电子组装件上的焊剂、锡膏残留,包括BMS电路板、SIP、WLP等封装形式的半导体器件焊剂残留。由于其PH中性,对敏感金属和聚合物材料有绝佳的材料兼容性。
BMS电路板清洗剂W3210的产品特点:
1、PH 值呈中性,对铝、铜、镍、塑料、标签等敏感材料上显示出绝佳的材料兼容性。
2、用去离子水按一定比例稀释后不易起泡,可适用于喷淋、超声工艺。
3、不含卤素,材料环保;气味清淡,使用液无闪点,使用安全,不需要额外的防爆措施。
4、由于PH中性,减轻污水处理难度。
BMS电路板清洗剂W3210的适用工艺:
W3210水基清洗剂适用于在线式或批量式喷淋清洗工艺,也可应用于超声清洗工艺。
BMS电路板清洗剂W3210产品应用:
W3210可以应用于不同类型的焊剂残留的水基清洗剂。产品为浓缩液,清洗时可根据残留物的清洗难易程度,用去离子水稀释后再进行使用,安全环保使用方便,是电子精密清洗高端应用的理想之选。
具体应用效果如下列表中所列:
