因为专业
所以领先
常见的BMS核心芯片主要涉及计算单元(如MCU)、AFE(模拟前端芯片)、数字隔离器、ADC(模数转换器)、CAN总线收发器、网络变压器、电流传感器、保险丝/电缆及其他部件等。
BMS芯片及元器件组成
1、计算单元(MCU、FPGA等):实现控制、计算等功能
MCU作为计算平台,需要满足AEC-Q100、ISO26262等认证。以ADI 48V油电混合BMS系统为例,MCU起到继电器控制、SOC/SOH估计、均衡控制、电芯电压、电流、温度数据收集、数据存储等作用。相较于消费级和工业级MCU,车规级MCU行业壁垒更高。车规级半导体对产品的可靠性、一致性、安全性、稳定性和长效性要求较高,研发难度较大:汽车行驶的外部温差较大,对芯片的宽温控制性能有较高要求;在产品寿命方面,整车设计寿命通常在15年及以上,远高于消费电子产品的寿命需求;在失效率方面,整车厂对车规级半导体的要求通常是零失效;在安全性方面,汽车电子的高功能安全标准给复杂性日益增长的电子系统量产化提供了足够的安全保障。车规级半导体的供应周期需要覆盖整车的全生命周期,供应需要可靠、一致且稳定,对企业供应链配备和管理方面提出了较高要求。
车规MCU原厂有德州仪器、意法半导体、恩智浦、英飞凌、瑞萨、中颖、兆易创新、芯海、国民技术、赛腾微、杰发、芯旺、小华半导体、云途、琪埔维、比亚迪半导体、芯驰、航顺、先楫、旗芯微、上海航芯、舆芯、芯擎、中科海芯、中微半导体、辉芒微、极海、曦华等。
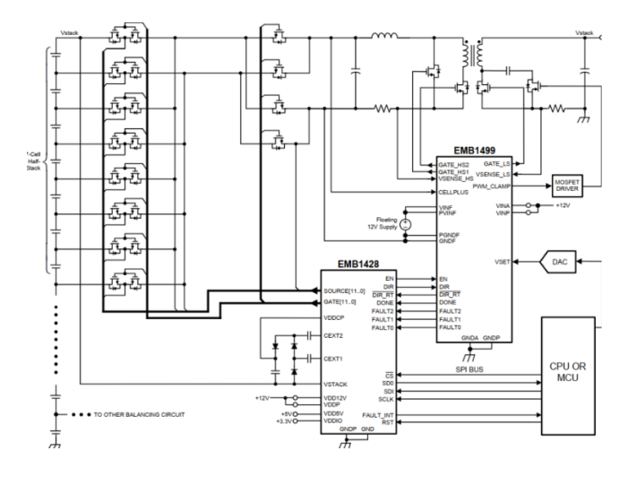
2、AFE芯片(模拟前端芯片):实现电池信息采集、状态监测等功能
AFE(模拟前端,Analog Front End)是包含传感器接口、模拟信号调理 (Conditioning,包括阻抗变换、程控增益放大、滤波和极性转换等)电路、模拟多路开关、采样保持器、ADC、数据缓存以及控制逻辑等部件的集成组件。有些AFE还带有MCU、DAC和多种驱动电路。

亚德诺典型12节BMIC-AFE芯片电路图
AFE原厂有亚德诺、德州仪器、意法半导体、松下、恩智浦、瑞萨、微芯、MPS、比亚迪半导体、琪埔维、大唐恩智浦、矽力杰、芯海、圣邦、赛微微电、中颖、鹏申科技、杰华特、集澈、精工、凹凸、力芯微、希荻微、华泰半导体、芯祥科技等。
3、隔离电路:实现高低压模块间电气隔离
隔离器件实现高低压模块间的电气隔离,技术路线包括光耦隔离和数字隔离。隔离器件是可以将输入信号进行转换并输出,以实现输入、输出两端电气隔离的一种安规器件。电气隔离能够保证强电电路和弱电电路之间信号传输的安全性,如果没有进行电气隔离,一旦发生故障,强电电路的电流将直接流到弱电电路,对电路及设备造成损害。另外,电气隔离去除了两个电路之间的接地环路,可以阻断共模、浪涌等干扰信号的传播,让电子系统具有更高的安全性和可靠性。高电压(强电)和低电压(弱电)之间信号传输的设备大都需要进行电气隔离并通过安规认证。
车规隔离器原厂有亚德诺、德州仪器、芯科、英飞凌、意法半导体、思佳讯 、埃戈罗、安森美、NVE、Vicor、东芝、纳芯微、智芯微、数明、格励微科技、荣湃、川土微、思瑞浦、华大半导体、精控、矽朋、瞻芯等。
4、ADC(模数转换器):将模拟信号转换为数字量
在汽车上,温度传感器和压力传感器通常都采用模拟信号形式,会使用ADC将传感器信号转换成ECU可识别的二进制格式的数字信号。即:首先,这些传感器将温度和压力转换为一定范围内的电压信号;然后通过线束和接插件将电压信号传给ECU,最后ECU的ADC模块将电压信号转换为数字量。
5、CAN总线收发器:实现CAN总线网络
CAN收发器是连接控制器局域网络(Controller Area Network,CAN)控制系统与CAN总线网络的桥梁,是CAN控制器进行总线数据访问的物理接口,负责CAN控制器端数字信号和CAN总线上差分电平信号之间的转换,一般CAN收发器中也集成了数字隔离芯片,来实现高低压电气隔离。
CAN收发器芯片原厂有恩智浦、德州仪器、英飞凌、瑞萨、意法半导体、安森美、君正、芯力特、纳芯微、思瑞浦、川土微等。
6、电池均衡模块:提升电池续航时间和循环寿命
电池不均衡会影响电池续航时间和电池循环寿命。电池不均衡表现为多节电池串联时各节电池电压不相等,尤其在充电末端和放电末端时表现明显。当满充容量不同的电池配组串联在一起时,串联充电电流相同,但满充容量小的那个电池会先充到更高电压,从而表现为各节电池电压不相等。即使满充容量相同,但SOC不同的电池配组串联在一起时,SOC高的那节电池的电压偏高,从而表现为各节电池电压不相等。即使满充容量相同、SOC相同,但各节电池的内阻R不同,则在充放电时IR压差不同,也会导致电池端电压不同。此外,一些外部因素(比如电池组局部受温或个体电池之间热不均衡)也会导致个体电池老化速率不同从而内阻不均衡。最终都可能表现为各节电池电压不相等。
均衡电路主要包括主动均衡、被动均衡。主动均衡是把电量最多的那节电芯多出来的电量转移给电量最少的那节电芯,或者转移给整串电池,实现能量回收。被动均衡是把电量最多的那节电芯多出来的电量通过电阻发热消耗掉。

亚德诺主动均衡电路框图(图源:ADI)
BMS核心芯片封装清洗:
合明科技研发的水基清洗剂配合合适的清洗工艺能为芯片封装前提供洁净的界面条件。
水基清洗的工艺和设备配置选择对清洗精密器件尤其重要,一旦选定,就会作为一个长期的使用和运行方式。水基清洗剂必须满足清洗、漂洗、干燥的全工艺流程。
污染物有多种,可归纳为离子型和非离子型两大类。离子型污染物接触到环境中的湿气,通电后发生电化学迁移,形成树枝状结构体,造成低电阻通路,破坏了电路板功能。非离子型污染物可穿透PC B 的绝缘层,在PCB板表层下生长枝晶。除了离子型和非离子型污染物,还有粒状污染物,例如焊料球、焊料槽内的浮点、灰尘、尘埃等,这些污染物会导致焊点质量降低、焊接时焊点拉尖、产生气孔、短路等等多种不良现象。
这么多污染物,到底哪些才是最备受关注的呢?助焊剂或锡膏普遍应用于回流焊和波峰焊工艺中,它们主要由溶剂、润湿剂、树脂、缓蚀剂和活化剂等多种成分,焊后必然存在热改性生成物,这些物质在所有污染物中的占据主导,从产品失效情况来而言,焊后残余物是影响产品质量最主要的影响因素,离子型残留物易引起电迁移使绝缘电阻下降,松香树脂残留物易吸附灰尘或杂质引发接触电阻增大,严重者导致开路失效,因此焊后必须进行严格的清洗,才能保障电路板的质量。
合明科技运用自身原创的产品技术,满足芯片封装工艺制程清洗的高难度技术要求,打破国外厂商在行业中的垄断地位,为芯片封装材料全面国产自主提供强有力的支持。
推荐使用合明科技水基清洗剂产品。